Tải bản đầy đủ (.pdf) (7 trang)

asus-x550ld-repair-guide

Bạn đang xem bản rút gọn của tài liệu. Xem và tải ngay bản đầy đủ của tài liệu tại đây (1003.81 KB, 7 trang )

X550LD Repair Guide

Apr/8/ 2015

John_jin
GTSD
-----------------------------------------------------------------------------------------------------------------------------------------------------------

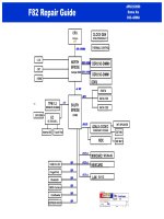
BLOCK DIAGRAM


POWER FLOW


POWER ON SEQUENCE


AC POWER ON SEQUENCE


DC POWER ON SEQUENCE


Signal Measure Point-Bottom
2. PSL8801 AC_IN_OC# 610
1.

PJP8502 AC_BAT_SYS 502

42 PL8801 P_CHG_LX_30 506
44 PL8401 +1.5VO 352



30 PL8200 +1.05VSUSO 331

19.PD8201 VA_DSW_PWRGD 686

37 PL8003 VCCIN 33
36.R0620 VCCIN_EN 281

12.PD8200 +3VSUS_ON 532
38.Q0601 CORE _PWRGD 557

14 R0616 +3VSUS 375

16 R7710 +12VSUSO 1309

20. R2510 SUSACK_R# 524

31.D7705 +1.05VS_PWRGD 319

35.Q0602 ALL_SYSTEM_PWRGD 493
43.PL8502 +NVDD 72

25.PR8324 PM_SUSC# 407
15 PL8101 +5VO 531
5.D3204 +3VA_EC 494
34.SL5805 +1.35V_PWRGD491
28.PQ9109 SUSB_EC# 488

6.D3204 EC_RST# 696
33 PL8301 +1.35VO 130

32 VT11 P_+1.5VS_PWRGD 550

8.PL8100 +3VADSWO 481
4 .PC8134 +5VAO 560

11.VT257 PCH_SLPSUS# 403

3.PSL8101 +3VAO 512

27.PQ9105 SUSB_EC# 598
17.D5801 +3VSUS_PWRGD 705
18.D5801 +5 VSUS_PWRGD 702
29.R3013 PM_SLP_A# 396

7.PR8113 P_+3VSUS_EN_OC 586

13 .PQ8108 +5VSUS_ON 690


Signal Measure Point-Top

39.R2539 PM_PWROK 578

22.C6802 PWR_SW# 584
41.U7002 BUF_PLT_RST# 486
10.D2505 ME_AC_PRESENT 708
9.D2503 PCH_DPWROK 581

40.R2538 PM_SYSPWROK 578


26.R2514 PM_SUSB# 422

23.R3041 PM_PWRBTN# 535
24.Q3002 SUSWARN# 405
21.VT1264 PM_RSMRST# 575



Tài liệu bạn tìm kiếm đã sẵn sàng tải về

Tải bản đầy đủ ngay
×