Tải bản đầy đủ (.pdf) (80 trang)

Giáo trình Thực hành trang bị điện (Nghề: Điện công nghiệp – Trình độ Trung cấp) - Trường CĐ Kinh tế - Kỹ thuật Vinatex TP. HCM

Bạn đang xem bản rút gọn của tài liệu. Xem và tải ngay bản đầy đủ của tài liệu tại đây (2.11 MB, 80 trang )

BỘ CƠNG THƯƠNG
TRƯỜNG CAO ĐẲNG VINATEX TP.HCM

GIÁO TRÌNH
MƠN HỌC: THỰC HÀNH TRANG BỊ ĐIỆN
NGHỀ: ĐIỆN CƠNG NGHIỆP
TRÌNH ĐỘ: TRUNG CẤP

Ban hành kèm theo Quyết định số:
/QĐ-... ngày …tháng....
năm…...........……… của …………………………………..

TP.HCM, năm 2017


TUYÊN BỐ BẢN QUYỀN
Tài liệu này thuộc loại sách giáo trình nên các nguồn thơng tin có thể được
phép dùng nguyên bản hoặc trích dùng cho các mục đích về đào tạo và tham
khảo.
Mọi mục đích khác mang tính lệch lạc hoặc sử dụng với mục đích kinh doanh
thiếu lành mạnh sẽ bị nghiêm cấm.


LỜI GIỚI THIỆU
Giáo trình giảng dạy có ý nghĩa thiết thực cho hoạt động giảng dạy và học tập của sinh
viên hệ Trung cấp nghề Điện cơng nghiệp.
- Giáo trính giảng dạy Thực hành Trang bị điện phù hợp chương trình mơn học, đáp ứng
chất lượng đào tạo, phù hợp với trình độ sinh viên.

Xin cám ơn tất cả giáo viên khoa cơ điện đã góp ý và giúp tơi hồn thiện giáo
trình này.



TP.HCM, ngày……tháng……năm 2017
Tham gia biên soạn
1. Ths. Lữ Thái Hòa
2. Ths. Trần Thị Tuyết Nhung


MỤC LỤC
Trang
Lời giới thiệu
Bài 1. Điều khiển khởi động động cơ không đồng bộ
1. Bài 1: Mạch khởi động trực tiếp ĐCKĐB 3 pha rotor lồng sóc
2. Bài 2: Mạch khởi động gián tiếp ĐCKĐB 3 pha rotor lồng sóc
3. Bài 3: Mạch đảo chiều quay ĐCKĐB 3 pha rotor lồng sóc
4. Bài 4: Mạnh hãm ĐCKĐB 3 pha rotor lồng sóc
Bài 2: Điều khiển đảo chiều động cơ khơng đồng bộ
Bài 3: Điều khiển hãm động cơ không đồng bộ
Bài 4: Điều khiển bằng biến tần
A. Giới thiệu thiết bị thực hành
1. Giới thiệu về biến tần
II. Khảo sát mơ hình thí nghiệm biến tần SIEMENS MM440
B. Các bài tập thực hành
Bài 1. Điều chỉnh tốc độ động cơ bằng Keypad biến tần
Bài 2. Điều chỉnh tốc độ động cơ bằng biến tần sử dụng biến trở
Bài 3. Điều chỉnh tốc độ động cơ bằng biến tần kết hợp PLC
Bài 5: Điều khiển hệ thống máy phát động cơ F-D
I. Thiết bị thực hành
II. Đấu nối thiết bị
B. Các bài tập thực hành
Bài 1. Khảo sát đặc tính hệ thống máy phát động cơ F-D khi khơng có

phản hồi
Bài 2. Khảo sát đặc tính hệ thống máy phát động cơ F-D khi có phản
hồi âm áp, dương dịng
Bài 3. Khảo sát đặc tính hệ thống máy phát động cơ F-D khi có phản
hồi tốc độ

1
2
7
31
39
47
48
86
86
87
96
96
98
100
48
50
51
51
52
53

CHƯƠNG TRÌNH MƠN HỌC
Tên mơn học: THỰC HÀNH TRANG BỊ ĐIỆN
Mã môn học: MH21


Thời gian thực hiện môn học: 60 giờ; (Lý thuyết: 0 giờ; Thực hành, thí nghiệm,
thảo luận, bài tập: 55 giờ; Kiểm tra: 05 giờ)
I. Vị trí, tính chất của mơn học:
- Vị trí: Mơn học này học sau mơn học Trang bị điện.


- Tính chất: Là mơn học chun mơn, thuộc các mơn học bắt buộc trong chương trình
đào tạo.
II. Mục tiêu mơn học:

- Về kiến thức:
+ Trình bày được các mạch khởi động, đảo chiều, hãm động cơ không đồng bộ.
+ Phân tích được mạch điều khiển động cơ sử dụng biến tần, điều chỉnh tốc độ động
cơ DC.

- Về kỹ năng:
+ Thiết kế và lắp đặt các mạch điện điều khiển động cơ và vận dụng để sửa chữa các
máy móc trong thực tế.
- Về năng lực tự chủ và trách nhiệm:
+ Nhận thức được ý nghĩa, giá trị khoa học của mơn học.
+ Rèn được tính cẩn thận, phương pháp học tư duy, phát huy tính tích cực, chủ động
và sáng tạo trong học tập.
III. Nội dung môn học:
1. Nội dung tổng quát và phân bổ thời gian:
Thời gian (giờ)
Số
Tên chương, mục
Tổng


Thực hành, Kiểm
TT
số
thuyết thí nghiệm
tra
thảo luận,
bài tập
Bài 1: Điều khiển khởi động động cơ
0
10
10
1
không đồng bộ
Bài 2: Điều khiển đảo chiều động cơ
0
11
1
12
2
không đồng bộ
Bài 3: Điều khiển hãm động cơ không
0
11
1
12
3
đồng bộ
Bài 4: Điều khiển động cơ bằng biến tần
2
20

0
18
4
5

Bài 5: Điều khiển hệ thống máy phát
động cơ F-D

6

0

5

1

Tổng cộng

60

0

55

5

2. Nội dung chi tiết:
Bài 1: Điều khiển khởi động động cơ không đồng bộ
Thời gian: 10 giờ
1. Mục tiêu bài:

- Thiết kế, lắp ráp mạch khởi động động cơ khơng đồng bộ.
- Rèn được tính cẩn thận, phương pháp học tư duy, phát huy tính tích cực, chủ
động và sáng tạo trong học tập.
2. Nội dung bài:
2.1. Mạch khởi động trực tiếp
Thời gian: 02 giờ
2.2. Mạch khởi động gián tiếp
Thời gian: 08 giờ
Bài 2: Điều khiển đảo chiều động cơ không đồng bộ
Thời gian: 12 giờ


1. Mục tiêu bài:
- Thiết kế, lắp ráp mạch đảo chiều động cơ khơng đồng bộ.
- Rèn được tính cẩn thận, phương pháp học tư duy, phát huy tính tích cực, chủ
động và sáng tạo trong học tập.
2. Nội dung bài:
2.1. Mạch đảo chiều gián tiếp
Thời gian: 06 giờ
2.2. Mạch đảo chiều trực tiếp
Thời gian: 05 giờ
Kiểm tra
Thời gian: 01 giờ
Bài 3: Điều khiển hãm động cơ không đồng bộ
Thời gian: 12 giờ
1. Mục tiêu bài:
- Thiết kế, lắp ráp mạch hãm động cơ khơng đồng bộ.
- Rèn được tính cẩn thận, phương pháp học tư duy, phát huy tính tích cực, chủ
động và sáng tạo trong học tập.
2. Nội dung bài:

2.1. Hãm động năng
Thời gian: 04 giờ
2.2. Hãm ngược
Thời gian: 03 giờ
2.3. Hãm tái sinh
Thời gian: 04 giờ
Kiểm tra
Thời gian: 01 giờ
Bài 4: Điều khiển động cơ bằng biến tần
Thời gian: 20 giờ
1. Mục tiêu bài:
- Thiết kế, lắp mạch điều khiển động cơ bằng biến tần sử dụng các phương
pháp keypad, biến trở, kết hợp PLC.
- Rèn được tính cẩn thận, phương pháp học tư duy, phát huy tính tích cực, chủ
động và sáng tạo trong học tập.
2. Nội dung bài:
2.1. Điều chỉnh tốc độ sử dụng keypad biến tần
Thời gian: 04 giờ
2.2. Điều chỉnh tốc độ sử dụng biến trở
Thời gian: 05 giờ
2.3. Điều chỉnh tốc độ tự động kết hợp biến tần với PLC
Thời gian: 09 giờ
Kiểm tra
Thời gian: 02 giờ
Bài 5: Điều khiển hệ thống máy phát động cơ F-D

Thời gian: 06 giờ

1. Mục tiêu bài:
- Khảo sát đặc tính hệ thống máy phát động cơ F-Đ trong chế độ động cơ, không

phản hồi; phản hồi âm điện áp, dương dòng; phản hồi tốc độ.

- Lắp và vận hành được mạch hệ thống máy phát động cơ F-Đ.
- Rèn được tính cẩn thận, phương pháp học tư duy, phát huy tính tích cực, chủ
động và sáng tạo trong học tập.
2. Nội dung bài:
2.1. Khảo sát và lắp mạch hệ thống máy phát động cơ F-Đ trong chế độ động
Thời gian: 02 giờ
cơ, không phản hồi.
2.2. Khảo sát và lắp mạch hệ thống máy phát động cơ F-Đ trong chế độ động cơ
phản hồi âm điện áp, dương dòng.
Thời gian: 1,5 giờ


2.3. Khảo sát và lắp mạch hệ thống máy phát động cơ F-Đ trong chế độ động cơ
phản hồi tốc độ.
Thời gian: 1,5 giờ
Kiểm tra
Thời gian: 01 giờ
IV. Điều kiện thực hiện mơn học:
1. Phịng học chun mơn hóa/nhà xưởng: Xưởng thực hành điện.
2. Trang thiết bị máy móc: Máy tính, màn hình LCD, bảng phấn, mơ hình thực hành
mơn học.
3. Học liệu, dụng cụ, ngun vật liệu: Mơ hình và thiết bị thực tập trang bị điện.
4. Các điều kiện khác: Không.
V. Nội dung và phương pháp đánh giá:
1. Nội dung đánh giá:

Đánh giá thông qua bài kiểm tra thường xuyên, định kỳ, kiểm tra kết thúc môn
học sinh viên cần đạt các yêu cầu sau:

- Thiết kế. lắp ráp các mạch khởi động, đảo chiều, hãm động cơ không đồng bộ.
- Thiết kế, lắp ráp Mạch điều khiển động cơ sử dụng biến tần,
- Vận hành mạch điều khiển hệ thống F-Đ.
- Thiết kế và lắp đặt thành thạo các mạch điện điều khiển động cơ.
- Chấp hành nội quy, quy chế của nhà trường.
- Chuẩn bị đầy đủ tài liệu học tập.
- Chuẩn bị đầy đủ nội dung tự học, tự nghiên cứu.
- Tham gia đầy đủ thời lượng của mơn học, tích cực trong giờ học.

2. Phương pháp đánh giá:
- Điểm kiểm tra thường xuyên gồm: kiểm tra vấn đáp, kiểm tra viết với thời gian làm
bài bằng hoặc dưới 30 phút, kiểm tra một số nội dung thực hành, thực tập, tự nghiên
cứu, chấm điểm bài tập.
- Điểm kiểm tra định kỳ: kiểm tra viết từ 45 phút đến 60 phút, chấm điểm bài tập lớn,
tiểu luận, làm bài thực hành, thực tập.
- Điểm trung bình kiểm tra = (Điểm trung bình kiểm tra thường xuyên x hệ số 1 + Điểm
trung bình kiểm tra định kỳ x hệ số 2) / 3
- Điểm môn học = Điểm trung bình kiểm tra x 0,4 + Điểm thi kết thúc mơn học x 0,6
- Hình thức, thời gian kiểm tra môn học: Thi thực hành (Thời gian: 30 ÷ 45 phút)
VI. Hướng dẫn thực hiện mơn học:
1. Phạm vi áp dụng mơn học: Chương trình mơn học được sử dụng để giảng dạy trình
độ trung cấp.
2. Hướng dẫn một số điểm chính về phương pháp giảng dạy môn học:
- Đối với giảng viên:

+ Trước khi giảng dạy, giảng viên cần chuẩn bị đầy đủ điều kiện giảng dạy lý
thuyết, hồ sơ bài giảng, phương tiện hỗ trợ, chú trọng sử dụng các phương
pháp tích cực hóa người học.
+ Hướng dẫn sinh viên phương pháp học tập, tự học, tự nghiên cứu.
- Đối với sinh viên:

+ Tham dự 100% thời gian học thực hành và làm đầy đủ các bài tập, các yêu cầu của
môn học được quy định trong chương trình mơn học.


+ Chuẩn bị nội dung thảo luận nhóm, nội dung tự học tự nghiên cứu khi tới lớp.
+ Xây dựng kế hoạch tự học, tự nghiên cứu cho cá nhân.

3. Những trọng tâm cần chú ý: Các mạch điều khiển khởi động, hãm, đảo chiều
và hệ thống F-Đ.
4. Tài liệu tham khảo:
[1]. Đề cương bài giảng Trang bị điện, Trường CĐ Kinh tế - Kỹ thuật Vinatex TPHCM,
[2]. PGS.TS. Đặng Thiện Ngơn, Giáo trình Trang bị điện - điện tử trong máy công
nghiệp dùng chung, NXB Đại học quốc gia Tp.HCM, 2013.
[3]. TS. Nguyễn Tấn Phước - Nguyễn Phước Tường Vân, Giáo trình Truyền động điện,
NXB Từ điển Bách Khoa, 2012.
[4]. TS. Nguyễn Tấn Phước – Nguyễn Phước Tường Vân, Giáo trình trang bị điện –
điện tử trong cơng nghiệp, NXB Hồng Đức, 2012.
?

?

?

?

[5]. Siemens, Quick Start Guide Five steps to easy startup for your MicroMaster
440 drive , Issue 08/03
[6]. Siemens, PLC Logo, Edition 02/2005
[7]. Tài liệu hướng dẫn thực hành các mơ hình của VIELINA.HCM.
?


?

?


Thực hành Trang bị điện

1

Phần 1: ĐIỀU KHIỂN ĐỘNG CƠ KHÔNG ĐỒNG BỘ
A. GIỚI THIỆU THIẾT BỊ THỰC HÀNH
I. THIẾT BỊ THỰC HÀNH
Thiết bị thực hành điều khiển động cơ 3 pha gồm 2 phần: thực hành mạch điều
khiển (Hình 1.1.a, Hình 1.1.b) và thực hành động lực (Hình 1.2).
II. ĐẤU DÂY THIẾT BỊ
Khi thực hành đấu dây mạch điều khiển thực hiện trên panel Hình 1.1.a, Hình
1.1.b, thực hành đấu dây mạch động lực thực hiện trên panel Hình 1.2.

Hình 1.1.a. Panel thực hành mạch điều khiển


Thực hành Trang bị điện

2

Hình 1.1.b. Panel thực hành mạch điều khiển

Hình 1.2. Panel thực hành mạch động lực



Thực hành Trang bị điện

3

B. CÁC BÀI TẬP THỰC HÀNH
Bài 1. MẠCH KHỞI ĐỘNG TRỰC TIẾP ĐỘNG CƠ KHÔNG ĐỒNG BỘ
3 PHA ROTOR LỒNG SÓC
I. KHỞI ĐỘNG TRỰC TIẾP BẰNG CB
Khi đóng cắt động cơ xoay chiều 3 pha cơng suất nhỏ thì việc sử dụng CB hoặc
cầu dao sẽ làm cho mạch điện đơn giản, giảm cho phí cơng lắp đặt và đặc biệt là làm
giảm giá thành.
1. Sơ đồ mạch điện

2. Mô tả trang bị điện
- L1-L2-L3: Nguồn điện 3 pha → cấp điện cho mạch động lực.
- CB: CB 3 pha mạch động lực → bảo vệ quá tải và ngắn mạch cho động cơ.
- CC: cầu chì mạch động lực → bảo vệ quá tải và ngắn mạch cho động cơ.
- M: Động cơ không đồng bộ 3 pha (ĐCKĐB3P) rotor lồng sóc → đối tượng
được điều khiển.
- Để bảo vệ cho người và thiết bị thì vỏ động cơ, tủ lắp đặt thiết bị điều khiển
phải được nối với hệ thống nối đất thông qua dây tiếp đất PE.
3. Nguyên lý hoạt động
- Đóng CB thì động cơ quay.
- Khi ngắt CB thì động cơ ngừng.


Thực hành Trang bị điện

4


4. Lắp mạch và vận hành
Bước 1: Tìm hiểu cấu tạo thực tế và các thơng số kỹ thuật cơ bản của thiết bị
như:
- Điện áp và dịng điện định mức.
- Tình trạng hoạt động của thiết bị (tốt hay hỏng).
Bước 2: Lắp mạch → kiểm tra nguội.
Bước 3: Cho mạch hoạt động như sau:
- Đóng CB 3 pha cho động cơ chạy.
- Ngắt CB 3 pha để dừng động cơ.
5. Đo đạc và lấy số liệu
Lần 1
Lần 2
Lần 3
I khởi động
I làm việc
6. Đánh giá số liệu và nhận xét
…………………………………………………………………………………………
…………………………………………………………………………………………
…………………………………………………………………………………………
…………………………………………………………………………………………
…………………………………………………………………………………………
7. Trả lời câu hỏi
Câu 1: Mạch khởi động trực tiếp bằng CB thường được dùng cho động cơ nào?
cơng suất như thế nào?
Câu 2: Trình bày các dạng bảo vệ của mạch điện?
II. KHỞI ĐỘNG TRỰC TIẾP BẰNG KHỞI ĐỘNG TỪ
Đối với động cơ xoay chiều ba pha cơng suất lớn thì việc đóng cắt trực tiếp sử
dụng CB hoặc cầu dao như mạch điện trên có nhiều hạn chế như:
- Tần số đóng cắt thấp.

- Vận hành nặng nề, tốn sức lao động, năng suất thấp.
- Khả năng bảo vệ an toàn cho người và động cơ khi có sự cố rất thấp.
- Khó tự động hóa q trình vận hành động cơ.
Vì vậy phương pháp mở máy động cơ xoay chiều ba pha bằng khởi động từ sẽ
khắc phục được nhược điểm trên.
1. Sơ đồ mạch điện
1.1. Mạch động lực


Thực hành Trang bị điện

1.2. Mạch điều khiển

5


Thực hành Trang bị điện

6

2. Mô tả trang bị điện
2.1. Mạch động lực
- L1-L2-L3: Nguồn điện 3 pha → cấp điện cho mạch động lực.
- BL: CB 3 pha mạch động lực → bảo vệ quá tải và ngắn mạch cho động cơ.
- CCL: cầu chì mạch động lực → bảo vệ quá tải và ngắn mạch cho động cơ.
- K: tiếp điểm chính của contactor.
- RN: thanh lưỡng kim rơle nhiệt → bảo vệ quá tải cho động cơ.
- M: ĐCKĐB3P rotor lồng sóc → đối tượng được điều khiển.
- Để bảo vệ cho người và thiết bị thì vỏ động cơ, tủ lắp đặt thiết bị điều khiển
phải được nối với hệ thống nối đất thông qua dây tiếp đất PE.

2.2. Mạch điều khiển
- CBK: CB mạch điều khiển → bảo vệ quá tải và ngắn mạch cho mạch điều
khiển.
- CCK: cầu chì mạch điều khiển → bảo vệ quá tải và ngắn mạch cho mạch điều
khiển.
- RS: nút nhấn dừng khẩn cấp.
- RN: tiếp điểm của rơle nhiệt.
- OFF: nút nhấn dừng động cơ.
- ON: nút nhấn mở động cơ.
- K: cuộn dây contactor và các tiếp điểm phụ của contactor.
- H1: đèn báo động cơ bị quá tải.
- H2: đèn báo mạch điện bị sự cố.
- H3: đèn báo có nguồn vào → mạch điện sẵn sàng làm việc.
3. Nguyên lý hoạt động
- Khi chưa đóng CBK và CBL thì động cơ chưa hoạt động, vì mạch chưa được
cung cấp điện. Các đèn chưa sáng.
- Khi đóng CBK và CBL thì đèn H3 sáng báo có nguồn điện vào mạch điều
khiển.
- Muốn động cơ hoạt động, ta nhấn nút ON ngay lập tức cuộn dây K có điện. Khi
đó các tiếp điểm chính K đóng lại động cơ hoạt động và đồng thời đóng ln tiếp điểm
phụ K (song song với nút nhấn ON) để duy trì dịng điện ln cung cấp cho cuộn dây.
- Muốn dừng động cơ ta nhấn OFF ngay lập tức cuộn dây K mất điện các tiếp
điểm chính mở ra động cơ ngừng hoạt động, đồng thời tiếp điểm phụ (tiếp điểm duy trì
– tiếp điểm song song với nút ON) cũng mở ra ngắt dòng điện đi vào cuộn dây
contactor.
- Nếu động cơ đang hoạt động mà bị quá tải thì tiếp điểm phụ của rơle nhiệt RN
tác động ngắt dòng điện đi vào contactor làm cho động cơ ngừng hoạt động, đồng thời


Thực hành Trang bị điện


7

đèn H1 sáng báo hiệu sự cố quá tải.
- Khi có sự cố cần dừng khẩn thì ta nhấn nút RS, mạch điện ngắt điện vào
contactor làm cho động cơ ngừng hoạt động, đồng thời đèn H2 sáng báo hiệu sự cố
dừng khẩn cấp.
4. Lắp mạch và vận hành
Bước 1: Tìm hiểu cấu tạo thực tế và các thông số kỹ thuật cơ bản của thiết bị
như:
- Điện áp và dịng điện định mức.
- Tình trạng hoạt động của thiết bị (tốt hay hỏng).
Bước 2: Lắp mạch điều khiển → kiểm tra nguội → cho hoạt động thử.
Bước 3: Lắp mạch động lực → kiểm tra nguội.
Bước 4: Cho mạch hoạt động như sau:
- Đóng CB 1 pha (CBK).
- Đóng CB 3 pha (CBL).
- Ấn nút ON cho động cơ chạy.
- Ấn nút OFF để động cơ dừng.
- Cắt CB 3 pha (CBL).
- Cắt CB 1 pha (CBK).
5. Đo đạc và lấy số liệu
Lần 1
Lần 2
Lần 3
I khởi động
I làm việc
6. Đánh giá số liệu và nhận xét
…………………………………………………………………………………………
…………………………………………………………………………………………

…………………………………………………………………………………………
…………………………………………………………………………………………
…………………………………………………………………………………………
7. Trả lời câu hỏi
Câu 1: Khi nào sử dụng mạch khởi động trực tiếp bằng khởi động từ?
Câu 2: So sánh ưu điểm và nhược điểm của mạch khởi động trực tiếp bằng CB và
mạch khởi động trực tiếp bằng khởi động từ?


Thực hành Trang bị điện

8

Bài 2. MẠCH KHỞI ĐỘNG GIÁN TIẾP ĐỘNG CƠ KHƠNG ĐỒNG BỘ 3 PHA
ROTOR LỒNG SĨC
I. MẠCH KHỞI ĐỘNG GIÁN TIẾP QUA MÁY BIẾN ÁP TỰ NGẪU
1. Mạch khởi động gián tiếp qua máy biến áp tự ngẫu sử dụng nút nhấn
Ta biết rằng khi mở máy động cơ rotor lồng sóc, dịng điện mở máy tăng lên 4
đến 7 lần so với dòng định mức. Hiện tượng này làm giảm đáng kể điện áp nguồn và
gây ảnh hưởng tới các thiết bị điện trong cùng tuyến với động cơ. Đặc biệt là khi mở
máy các động cơ cơng suất lớn, tải nặng nề thì ảnh hưởng này càng rõ rệt thậm chí có
thể làm tắt bóng đèn huỳnh quang hoặc làm máy điều nhiệt độ ngừng hoạt động.
Đối với động cơ công suất lớn cỡ hàng chục kW, để làm giảm những ảnh hưởng
này ta có thể đấu nối tiếp cuộn dây stator động cơ với biến áp tự ngẫu nhằm làm giảm
điện áp đặt vào cuộn dây stator khi động cơ mở máy và do vậy sẽ làm giảm được dòng
điện mở máy. Sau khi kết thức quá trình mở máy, biến áp tự ngẫu được nối tắt để động
cơ làm việc ở chế độ định mức.
Ở đây ta sử dụng bộ nút nhấn kép để thực hiện chuyển đổi quá trình mở máy
bằng máy biến áp tự ngẫu sang chế độ làm việc, việc chuyển đổi thực hiện bằng tay.
1.1. Sơ đồ mạch điện

1.1.1. Mạch động lực


Thực hành Trang bị điện

9

1.1.2. Mạch điều khiển

1.2. Mô tả trang bị điện
1.2.1. Mạch động lực
- L1-L2-L3: Nguồn điện 3 pha → cấp điện cho mạch động lực.
- CBL: CB 3 pha mạch động lực → bảo vệ quá tải và ngắn mạch cho động cơ.
- CCL: cầu chì mạch động lực → bảo vệ quá tải và ngắn mạch cho động cơ.
- K1: tiếp điểm chính của contactor 1 → mở máy qua máy biến áp tự ngẫu.
- K2: tiếp điểm chính của contactor 2 → nối trực tiếp với lưới điện (không thông
qua máy biến áp tự ngẫu).
- T: máy biến áp tự ngẫu.
- RN: thanh lưỡng kim rơle nhiệt → bảo vệ quá tải cho động cơ.
- M: ĐCKĐB3P rotor lồng sóc → đối tượng được điều khiển.
- Để bảo vệ cho người và thiết bị thì vỏ động cơ, tủ lắp đặt thiết bị điều khiển
phải được nối với hệ thống nối đất thông qua dây tiếp đất PE.
1.2.2. Mạch điều khiển
- L-N: Nguồn điện 1 pha → cấp điện cho mạch điều khiển.
- CBK: CB mạch điều khiển → bảo vệ quá tải và ngắn mạch cho mạch điều
khiển.
- CCK: cầu chì mạch điều khiển → bảo vệ quá tải và ngắn mạch cho mạch điều
khiển.
- RS: nút nhấn dừng khẩn cấp.



Thực hành Trang bị điện

10

- RN: tiếp điểm của rơle nhiệt.
- OFF: nút nhấn dừng động cơ.
- ON1 - OFF1: nút nhấn kép mở máy qua máy biến áp tự ngẫu.
- ON2 - OFF2: nút nhấn kép nối trực tiếp với lưới điện (không thông qua máy
biến áp tự ngẫu).
- K1: cuộn dây contactor 1 và các tiếp điểm phụ của contactor 1.
- K2: cuộn dây contactor 2 và các tiếp điểm phụ của contactor 2.
- H1: đèn báo động cơ bị quá tải.
- H2: đèn báo mạch điện bị sự cố.
- H3: đèn báo có nguồn vào → mạch điện sẵn sàng làm việc.
1.3. Nguyên lý hoạt động
- Khi chưa đóng CBK và CBL thì động cơ chưa hoạt động, vì mạch chưa được
cung cấp điện. Các đèn chưa sáng.
- Khi đóng CBK và CBL thì đèn H3 sáng báo có nguồn điện vào mạch điều
khiển.
- Ban đầu để động cơ mở máy qua máy biến áp tự ngẫu, ta nhấn nút ON1 ngay
lập tức cuộn dây K1 có điện (lúc này OFF1 mở ra để đảm bảo K2 khơng được cung
cấp điện). Khi đó các tiếp điểm chính K1 đóng lại động cơ mở máy qua máy biến áp tự
ngẫu và đồng thời đóng ln tiếp điểm phụ K1 (song song với nút nhấn ON1) để duy
trì dịng điện luôn cung cấp cho cuộn dây K1 và mở tiếp điểm phụ K1 thường đóng để
khóa chéo cuộn dây K2 ln ln khơng có điện.
- Sau khi mở máy xong thì nối tắt máy biến áp tự ngẫu bằng cách nhấn nút ON2
ngay lập tức cuộn dây K2 có điện (lúc này OFF2 mở ra để đảm bảo K1 khơng được
cung cấp điện). Khi đó các tiếp điểm chính K2 đóng lại động cơ quay nghịch và đồng
thời đóng luôn tiếp điểm phụ K2 (song song với nút nhấn ON2) để duy trì dịng điện

ln cung cấp cho cuộn dây K2 và mở tiếp điểm phụ K2 thường đóng để khóa chéo
cuộn dây K1 ln ln khơng có điện.
- Muốn dừng động cơ ta nhấn OFF ngay lập tức cuộn dây K1, K2 mất điện các
tiếp điểm chính mở ra động cơ ngừng hoạt động, đồng thời tiếp điểm phụ (tiếp điểm
duy trì – tiếp điểm song song với nút ON1 và ON2) cũng mở ra ngắt dòng điện đi vào
cuộn dây K1, K2.
- Nếu động cơ đang hoạt động mà bị quá tải thì tiếp điểm phụ của rơle nhiệt RN
tác động ngắt dòng điện đi vào contactor làm cho động cơ ngừng hoạt động, đồng thời
đèn H1 sáng báo hiệu sự cố quá tải.
- Khi có sự cố cần dừng khẩn thì ta nhấn nút RS, mạch điện ngắt điện vào
cotactor làm cho động cơ ngừng hoạt động, đồng thời đèn H2 sáng báo hiệu sự cố
dừng khẩn cấp.


Thực hành Trang bị điện

11

1.4. Lắp mạch và vận hành
Bước 1: Tìm hiểu cấu tạo thực tế và các thơng số kỹ thuật cơ bản của thiết bị
như:
- Điện áp và dịng điện định mức.
- Tình trạng hoạt động của thiết bị (tốt hay hỏng).
Bước 2: Lắp mạch điều khiển → kiểm tra nguội → cho hoạt động thử.
Bước 3: Lắp mạch động lực → kiểm tra nguội.
Bước 4: Cho mạch hoạt động như sau:
- Đóng CB 1 pha (CBK).
- Đóng CB 3 pha (CBL).
- Ấn nút nhấn kép (ON1 - OFF1) động cơ mở máy qua máy biến áp tự ngẫu →
Đợi vài giây để quá trình mở máy kết thúc → Ấn nút nhấn kép (ON2 – OFF2) cho

động cơ nối trực tiếp với lưới điện.
- Ấn nút OFF để động cơ dừng.
- Cắt CB 3 pha (CBL).
- Cắt CB 1 pha (CBK).
1.5. Đo đạc và lấy số liệu
Lần 1
Lần 2
Lần 3
I khởi động qua MBATN
I làm việc
1.6. Đánh giá số liệu và nhận xét
…………………………………………………………………………………………
…………………………………………………………………………………………
…………………………………………………………………………………………
…………………………………………………………………………………………
…………………………………………………………………………………………
1.7. Trả lời câu hỏi
Câu 1: Vì sao phải thực hiện khởi động gián tiếp qua máy biến áp tự ngẫu?
Câu 2: Có nhận xét gì về dịng khởi động và dịng làm việc khi khởi động trực
tiếp và khởi động gián tiếp qua máy biến áp tự ngẫu?
2. Mạch khởi động gián tiếp qua máy biến áp tự ngẫu sử dụng rơle thời gian
Để khắc phục việc chuyển đổi bằng tay sử dụng nút nhấn kép ta thay thế bằng
rơle thời gian thì việc chuyển đổi được thực hiện 1 cách tự động theo thời gian đặt sẵn.
2.1. Sơ đồ mạch điện
2.1.1. Mạch động lực


Thực hành Trang bị điện

2.1.2. Mạch điều khiển


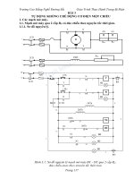
12


Thực hành Trang bị điện

13

2.2. Mô tả trang bị điện
2.2.1. Mạch động lực
- L1-L2-L3: Nguồn điện 3 pha → cấp điện cho mạch động lực.
- CBL: CB 3 pha mạch động lực → bảo vệ quá tải và ngắn mạch cho động cơ.
- CCL: cầu chì mạch động lực → bảo vệ quá tải và ngắn mạch cho động cơ.
- K1: tiếp điểm chính của contactor 1 → mở máy qua máy biến áp tự ngẫu.
- K2: tiếp điểm chính của contactor 2 → nối trực tiếp với lưới điện (không thông
qua máy biến áp tự ngẫu).
- T: máy biến áp tự ngẫu.
- RN: thanh lưỡng kim rơle nhiệt → bảo vệ quá tải cho động cơ.
- M: ĐCKĐB3P rotor lồng sóc → đối tượng được điều khiển.
- Để bảo vệ cho người và thiết bị thì vỏ động cơ, tủ lắp đặt thiết bị điều khiển
phải được nối với hệ thống nối đất thông qua dây tiếp đất PE.
2.2.2. Mạch điều khiển
- L-N: Nguồn điện 1 pha → cấp điện cho mạch điều khiển.
- CBK: CB mạch điều khiển → bảo vệ quá tải và ngắn mạch cho mạch điều
khiển.
- CCK: cầu chì mạch điều khiển → bảo vệ quá tải và ngắn mạch cho mạch điều
khiển.
- RS: nút nhấn dừng khẩn cấp.
- RN: tiếp điểm của rơle nhiệt.
- OFF: nút nhấn dừng động cơ.

- ON: mở máy động cơ.
- K1: cuộn dây contactor 1 và các tiếp điểm phụ của contactor 1.
- K2: cuộn dây contactor 2 và các tiếp điểm phụ của contactor 2.
- T: rơle thời gian → định thời gian mở máy để chuyển sang trạng thái làm việc
bình thường.
- H1: đèn báo động cơ bị quá tải.
- H2: đèn báo mạch điện bị sự cố.
- H3: đèn báo có nguồn vào → mạch điện sẵn sàng làm việc.
2.3. Nguyên lý hoạt động
- Khi chưa đóng CBK và CBL thì động cơ chưa hoạt động, vì mạch chưa được
cung cấp điện. Các đèn chưa sáng.
- Đóng CBK và CBL thì đèn H3 sáng báo có nguồn điện vào mạch điều khiển.
- Để động cơ mở máy qua máy biến áp tự ngẫu, ta nhấn nút ON ngay lập tức
cuộn dây K1 và cuộn dây T có điện (rơle thời gian T bắt đầu đếm thời gian). Khi đó
các tiếp điểm chính K1 đóng lại động cơ mở máy qua máy biến áp tự ngẫu và tiếp


Thực hành Trang bị điện

14

điểm thường hở không thời gian T đóng lại (song song với nút nhấn ON) để duy trì
dịng điện ln cung cấp cho cuộn dây K1 và mở tiếp điểm phụ K1 thường đóng để
khóa chéo cuộn dây K2 ln ln khơng có điện.
- Sau khoảng thời gian định trước (mở máy xong) thì tiếp điểm thường đóng có
thời gian T mở ra ngắt điện cuộn dây K1 khơng cho dịng điện chạy qua máy biến áp
tự ngẫu và đồng thời tiếp điểm thường hở có thời gian T đóng lại cấp điện cho cuộn
dây K2 làm động cơ được nối trực tiếp với lưới điện, đơng thời tiếp điểm phụ thường
đóng K2 mở ra khóa chéo cuộn dây K1 ln ln khơng có điện.
- Muốn dừng động cơ ta nhấn OFF ngay lập tức cuộn dây K1, K2 mất điện các

tiếp điểm chính mở ra động cơ ngừng hoạt động, đồng thời tiếp điểm của rơle thời
gian T (tiếp điểm duy trì – tiếp điểm song song với nút ON) cũng mở ra ngắt dòng
điện đi vào cuộn dây K1, K2.
- Nếu động cơ đang hoạt động mà bị quá tải thì tiếp điểm phụ của rơle nhiệt RN
tác động ngắt dòng điện đi vào contactor làm cho động cơ ngừng hoạt động, đồng thời
đèn H1 sáng báo hiệu sự cố quá tải.
- Khi có sự cố cần dừng khẩn thì ta nhấn nút RS, mạch điện ngắt điện vào
contactor làm cho động cơ ngừng hoạt động, đồng thời đèn H2 sáng báo hiệu sự cố
dừng khẩn cấp.
2.4. Lắp mạch và vận hành
Bước 1: Tìm hiểu cấu tạo thực tế và các thông số kỹ thuật cơ bản của thiết bị
như:
- Điện áp và dòng điện định mức.
- Tình trạng hoạt động của thiết bị (tốt hay hỏng).
Bước 2: Lắp mạch điều khiển → kiểm tra nguội → cho hoạt động thử.
Bước 3: Lắp mạch động lực → kiểm tra nguội.
Bước 4: Cho mạch hoạt động như sau:
- Đóng CB 1 pha (CBK).
- Đóng CB 3 pha (CBL).
- Ấn nút nhấn ON động cơ mở máy qua máy biến áp tự ngẫu → sau khoảng thời
gian định trước (khoảng vài giây) → tự động ngắt máy biến áp tự ngẫu ra và kết nối
động cơ với lưới điện.
- Ấn nút OFF để động cơ dừng.
- Cắt CB 3 pha (CBL).
- Cắt CB 1 pha (CBK).
2.5. Đo đạc và lấy số liệu


Thực hành Trang bị điện


15

Lần 1

Lần 2

Lần 3

I khởi động qua MBATN
I làm việc
2.6. Đánh giá số liệu và nhận xét
…………………………………………………………………………………………
…………………………………………………………………………………………
…………………………………………………………………………………………
…………………………………………………………………………………………
…………………………………………………………………………………………
2.7. Trả lời câu hỏi
Câu 1: So sánh mạch khởi động gián tiếp qua máy biến áp tự ngẫu khi sử dụng
nút nhấn và rơ le thời gian có những ưu, nhược điểm gì?
Câu 2: Thiết kế mạch động lực và điều khiển mạch mở máy động cơ 3 pha rotor
dây quấn qua 3 cấp điện trở.
II. MẠCH KHỞI ĐỘNG GIÁN TIẾP BẰNG ĐỔI NỐI SAO – TAM GIÁC
1. Mạch khởi động gián tiếp bằng đổi nối sao – tam giác sử dụng nút nhấn
Phương pháp mở máy qua cuộn kháng hoặc máy biến áp tự ngẫu có thể áp dụng
nhiều loại động cơ nhưng trang bị khá công kền vì cần phải bổ sung thiết bị cho mạch
động lực. Tuy nhiên đối với các động cơ hoạt động ở chế độ định mức mà có các cuộn
dây đấu hình tam giác thì có thể dùng phương pháp mở máy sao – tam giác để giảm
dòng khởi động. Để hiểu rõ ý nghĩa của phương pháp mở máy sao – tam giác, ta cần
phải quan tâm đến sơ đồ đấu động cơ hình sao (Hình 1.3.a) và sơ đồ đấu động cơ hình
tam giác (Hình 1.3.b).


Hình 1.3.a

Hình 1.3.b

- Khi mở máy các cuộn dây stator được đấu thành hình sao (Hình 1.3.a)
- Gọi Udl là điện áp dây của lưới điện, Zf là trở kháng của 1 cuộn dây pha.
- Khi đấu sao thì điện áp đặt trên mỗi cuộn dây pha của động cơ là

U dl
3

ta có dịng điện


Thực hành Trang bị điện

16

dây khi nối hình sao tương ứng là:
IdY = IfY =

U dl
3.Zf

(1)

- Khi kết thúc quá trình mở máy, các cuộn dây stator được nối thành hình tam
giác như Hình 1.3.b. Khi đó điện áp đặt trên mỗi cuộn dây pha của động cơ là Udl.
Dòng điện dây tương ứng là:

IdΔ =

3 IfΔ =

3.U dl
Zf

(2)

So sánh (1) và (2) ta có: IdY =

Id
3

Kết luận: Khi mở máy sao – tam giác điện áp trên mỗi cuộn dây pha giảm đi 3
lần, khi đó dịng điện dây vào động cơ giảm đi 3 lần.
Phương pháp này có nhược điểm là mômen khởi động giảm nhiều (giảm 3 lần).
Điều này làm cho thời gian khởi động kéo dài đặc biệt là đối với động cơ làm việc ở
chế độ tải nặng nề.
Ở đây ta sử dụng bộ nút nhấn kép để thực hiện chuyển đổi chế độ mở máy hình
sao sang chế độ làm việc tam giác, việc chuyển đổi thực hiện bằng tay.
1.1. Sơ đồ mạch điện
1.1.1. Mạch động lực


Thực hành Trang bị điện

17

1.1.2. Mạch điều khiển


1.2. Mô tả trang bị điện
1.2.1. Mạch động lực
- L1-L2-L3: Nguồn điện 3 pha → cấp điện cho mạch động lực.
- CBL: CB 3 pha mạch động lực → bảo vệ quá tải và ngắn mạch cho động cơ.
- CCL: cầu chì mạch động lực → bảo vệ quá tải và ngắn mạch cho động cơ.
- K: tiếp điểm chính của contactor → đóng điện cho động cơ.
- KY: tiếp điểm chính của contactor Y → động cơ mở máy hình sao.
- KΔ: tiếp điểm chính của contactor Δ → động cơ chạy hình tam giác.
- RN: thanh lưỡng kim rơle nhiệt → bảo vệ quá tải cho động cơ.
- M: ĐCKĐB3P rotor lồng sóc (động cơ 6 đầu dây ra) → đối tượng được điều
khiển.
- Để bảo vệ cho người và thiết bị thì vỏ động cơ, tủ lắp đặt thiết bị điều khiển
phải được nối với hệ thống nối đất thông qua dây tiếp đất PE.
1.2.2. Mạch điều khiển
- L-N: Nguồn điện 1 pha → cấp điện cho mạch điều khiển.
- CBK: CB mạch điều khiển → bảo vệ quá tải và ngắn mạch cho mạch điều
khiển.
- CCK: cầu chì mạch điều khiển → bảo vệ quá tải và ngắn mạch cho mạch điều
khiển.
- RS: nút nhấn dừng khẩn cấp.


×